Горный институт

Здесь обсуждаем все, что связано со станциями нашего метрополитена
Ответить
Аватара пользователя
harto
Сообщения: 13
Зарегистрирован: 30 дек 2024, 02:25
Станция метро: Проспект Просвещения
Откуда: Северная Венеция

Re: Горный институт

Сообщение harto »

Здравствуйте всем.
Поделюсь тоже своими фото по теме новой станций ''Горный институт''.
Вложения
DSC_261581-717 8680.jpg
DSC_2623эстетика ГИ.jpg
DSC_2632аквариум в тоннеле.jpg
DSC_266081-540 10253.jpg
DSC_2667тоннель.jpg
DSC_2559ХАУСФОТКИ.jpg
DSC_2541ХАУСФОТКИ.jpg
DSC_2538ХАУСФОТКИ.jpg
DSC_2521ХАУСФОТКИ.jpg
DSC_2498ХАУСФОТКИ.jpg
DSC_2462ХАУСФОТКИ.jpg
DSC_253181-717 8764 ГИ.jpg
am3plus
Сообщения: 854
Зарегистрирован: 30 апр 2015, 19:54
Станция метро: Московская

Re: Горный институт

Сообщение am3plus »

Проехал на станцию во втором составе после начала движения с пассажирами. Ажиотаж, конечно, предсказуемый, но на открытиях до Новокрестовской я такого не припомню, да и аудитория сильно моложе стала. Хотя, наверное, это и к лучшему, что молодёжь с транспорта фанатеет.
Мне понравилось, что станция выглядит законченной, даже если где-то остались мелкие штрихи -- в глаза они не бросаются.
У меня был некоторый скепсис по поводу сравнения с проектом, очень не хотелось повторять опыт Дунайской. В этом плане опасения как раз не подтвердились.
Остальное -- чисто замечания. Хитросплетение проводов снизу на платформенных светильниках я тоже заметил, но тоже в глаза особенно не бросается. На декоративные элементы на светильниках в НХ я тоже обратил внимание, но как по мне, кроме как отсутствием единообразия оно не цепляет. С лифтами верно было замечено выше, можно было бы оставить вызов кнопкой без оператора, ничего от этого не перевернулось бы, но так как спуск по эскалатору для их потенциальных пользователей всё равно только с сотрудниками метрополитена, то наверное допустимо. Ну ещё, как это было на всех последних открытиях, многовато пыли, но есть ли возможность с этим справиться...

Про хорошее: станция получилась очень светлой. Дунайская проекте выглядела интереснее, а в итоговой реализации Горный Институт мне больше нравится. В центральном зале очень интересные узоры на дереве скамеек, мне почему-то очень напоминают дорогие шахматы-нарды. Да и, как я понимаю, что в ЦЗ, что на платформах поверхность скамеек сделана из массива, а не из ЛДСП. Часы сверху перед входом на эскалаторы очень кстати. Всю художественность панно я оценить не успел, так как было очень людно, но выглядят они уместно, в сравнении с некоторыми предыдущими мозаиками. Интересные зеркальные двери в торце ЦЗ. Но вестибюль мне понравился едва ли не больше самой станции. Было очень непривычно видеть рамки настолько далеко от турникетов, да и вообще схема вестибюля (три яруса, получается) очень интересная, и главное, что всё просторно! Два уровня потолка в зале с турникетами тоже выглядят восхитительно. Декорация с шахтёрами и золотой жилой интересна и светящимися фонариками, и тем, что примитивный ("низкополигональный") фон даёт возможность сделать акцент на той самой "золотой жиле", хотя она того же цвета, пусть и зеркальная. И вот также радует, что украшений уместное количество: вестибюль не смотрится скучным, но при этом и не изобилует декором на каждой поверхности.

В плане транспортной доступности, я думаю, большее значение будут иметь Театральная и Морской Фасад, но даже сейчас юг В.О. будет разгружен этой станцией. Я также выражаю благодарность всем, кто так или иначе участвовал в строительстве и связанных с ним работах.

P.S. не совсем про Горный Институт, а про открытый участок в целом: я долго думал, в какой степени готовности сдадут Театральную, и текущий вид её платформенных залов превзошёл мои ожидания! Но вот кое с чем я, всё-таки, угадал: свет на платформах горел постоянно только в день открытия участка, вчера уже только проходы подсвечивались. Глядишь, скоро станет тёмной станцией-призраком.
Даёшь НеВу на КВЛ!

Станция Волковская платформа справа. Наземный переход на станцию метро Волковская, выход к линии скоростного трамвая.
Станция Дача Долгорукова, платформа слева. Переход на станцию метро Ладожская, выход к трамваю в микрорайон Ржевка.
Аватара пользователя
harto
Сообщения: 13
Зарегистрирован: 30 дек 2024, 02:25
Станция метро: Проспект Просвещения
Откуда: Северная Венеция

Re: Горный институт

Сообщение harto »

Alexsey писал(а): 27 дек 2024, 18:30 Еще раз всех от души поздравляю с открытием Горного. Мы ждали это 10 лет. И небольшой фотоотчет. Может часть1.
Забавно, я себя нашел на фото)
Хорошие фотографий получились! С долгожданным открытием!
Аватара пользователя
Nomernoy
Профессионал
Профессионал
Сообщения: 5207
Зарегистрирован: 10 окт 2005, 16:25
Станция метро: Театральная
Откуда: Санкт-Петербург

Re: Горный институт

Сообщение Nomernoy »

darkglare писал(а): 30 дек 2024, 01:25 это задел под второй выход, как и на Театральной, насколько я понимаю. завтра (сегодня уже) поеду своими глазами смотреть, а заодно и на доделанный выход Дунайской
Увы, нет. Что на "Театральной", что на "Горном институте", что на "Юго-Западной" - это эвакуационные выходы к стволу. Теперь это будет повсеместно. Использовать как задел под пересадочный коридор проблематично - узковаты.
Изображение
Аватара пользователя
ArtTrapeza
Сообщения: 834
Зарегистрирован: 30 дек 2006, 11:56
Станция метро: Проспект Просвещения

Re: Горный институт

Сообщение ArtTrapeza »

Кстати, вроде бы первый раз сталкиваюсь в метро со скамейками с узорами на сиденье.

Заметил на фотографии:

DSC_2632аквариум в тоннеле_фрамгмент.jpg
DSC_2632аквариум в тоннеле_фрамгмент.jpg (44.77 КБ) 14660 просмотров
Аватара пользователя
Alexsey
Сообщения: 898
Зарегистрирован: 25 янв 2005, 13:18
Станция метро: Парк Победы
Откуда: Санкт-Петербург метро Парк-Победы
Контактная информация:

Re: Горный институт

Сообщение Alexsey »

Nomernoy писал(а): 30 дек 2024, 05:37
darkglare писал(а): 30 дек 2024, 01:25 это задел под второй выход, как и на Театральной, насколько я понимаю. завтра (сегодня уже) поеду своими глазами смотреть, а заодно и на доделанный выход Дунайской
Увы, нет. Что на "Театральной", что на "Горном институте", что на "Юго-Западной" - это эвакуационные выходы к стволу. Теперь это будет повсеместно. Использовать как задел под пересадочный коридор проблематично - узковаты.
Дмитрий а почему нельзя было сделать нормальный широкий подъем а дальше небольшой коридор и дверь в бок к стволу, а при строительстве перехода достроить коридор на новую линию. Так же на много экономичнее, чем строить новый. Так же и под второй выход наверное можно сделать?
Аватара пользователя
Alexsey
Сообщения: 898
Зарегистрирован: 25 янв 2005, 13:18
Станция метро: Парк Победы
Откуда: Санкт-Петербург метро Парк-Победы
Контактная информация:

Re: Горный институт

Сообщение Alexsey »

harto писал(а): 30 дек 2024, 02:40
Alexsey писал(а): 27 дек 2024, 18:30 Еще раз всех от души поздравляю с открытием Горного. Мы ждали это 10 лет. И небольшой фотоотчет. Может часть1.
Забавно, я себя нашел на фото)
Хорошие фотографий получились! С долгожданным открытием!
А на какой фотке вы себя нашли даже интересно. Мы пересеклись. С одного форума.
Аватара пользователя
в40
Профессионал
Профессионал
Сообщения: 14816
Зарегистрирован: 05 фев 2009, 19:46
Станция метро: Проспект Большевиков
Откуда: Дачное

Re: Горный институт

Сообщение в40 »

Nomernoy писал(а): 30 дек 2024, 05:37
darkglare писал(а): 30 дек 2024, 01:25 это задел под второй выход, как и на Театральной, насколько я понимаю. завтра (сегодня уже) поеду своими глазами смотреть, а заодно и на доделанный выход Дунайской
Увы, нет. Что на "Театральной", что на "Горном институте", что на "Юго-Западной" - это эвакуационные выходы к стволу. Теперь это будет повсеместно. Использовать как задел под пересадочный коридор проблематично - узковаты.
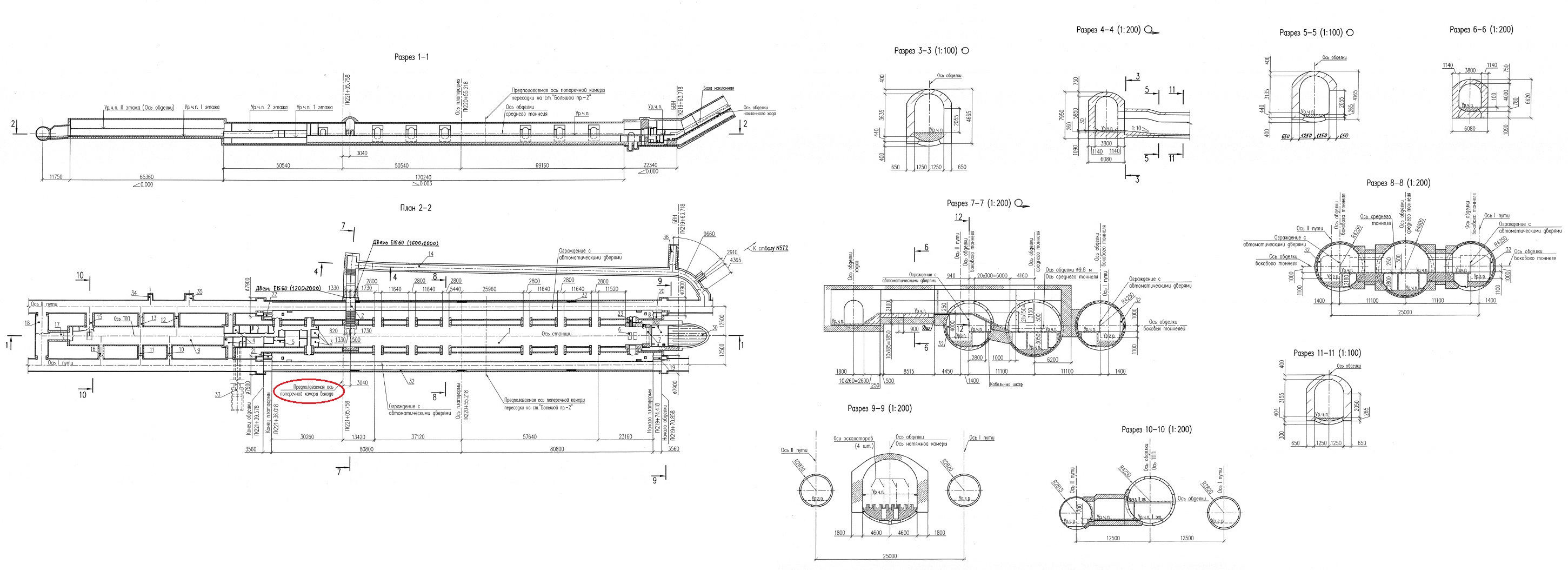
Насколько помню, на "Горном институте", рядом с сооруженной камерой лестничного спуска эвакуационного выхода (над вторым путём), должна быть ещё одна такая же, которую, видимо, чтобы удешевить стоимость работ, сооружать не стали. И эти две камеры как раз предусматривались для примыкания второго выхода в город.
На "Театральной" и "Юго-Западной" - да, это всего лишь эвакуационные выходы.
Вот, смотрите. Взято отсюда.
Вложения
Большой проспект 1.jpg
О=О=О=О=О=О=О=О=О=О=О=О=О=О=О=О=О=О=О
Аватара пользователя
harto
Сообщения: 13
Зарегистрирован: 30 дек 2024, 02:25
Станция метро: Проспект Просвещения
Откуда: Северная Венеция

Re: Горный институт

Сообщение harto »

Alexsey писал(а): 30 дек 2024, 12:11
harto писал(а): 30 дек 2024, 02:40

Забавно, я себя нашел на фото)
Хорошие фотографий получились! С долгожданным открытием!
А на какой фотке вы себя нашли даже интересно. Мы пересеклись. С одного форума.
16 фотография. На скамейке сидел. Я вас видел тоже.
Аватара пользователя
GelezinisVilkas
Сообщения: 3749
Зарегистрирован: 15 май 2015, 12:19
Станция метро: Дунайская

Re: Горный институт

Сообщение GelezinisVilkas »

в40 писал(а): 30 дек 2024, 13:05 Насколько помню, на "Горном институте", рядом с сооруженной камерой лестничного спуска эвакуационного выхода (над вторым путём), должна быть ещё одна такая же, которую, видимо, чтобы удешевить стоимость работ, сооружать не стали.
Там же написано «предполагаемая», как и камера на пересадку.
Кстааати! А куда пропали автоматические двери?
IMG_0641.jpeg
:twisted:
Аватара пользователя
в40
Профессионал
Профессионал
Сообщения: 14816
Зарегистрирован: 05 фев 2009, 19:46
Станция метро: Проспект Большевиков
Откуда: Дачное

Re: Горный институт

Сообщение в40 »

Предполагаемая ось поперечной камеры выхода - с точностью до миллиметра? Станционный комплекс изначально спроектирован с двумя выходами, один из которых "ушел в тень".
Относительно дверей - хороший вопрос.
О=О=О=О=О=О=О=О=О=О=О=О=О=О=О=О=О=О=О
Аватара пользователя
W0LF
Сообщения: 784
Зарегистрирован: 09 ноя 2019, 21:50
Станция метро: Девяткино

Re: Горный институт

Сообщение W0LF »

Чау-чау
Сообщения: 2593
Зарегистрирован: 26 ноя 2011, 19:20
Станция метро: Шкиперская

Re: Горный институт

Сообщение Чау-чау »

Неплохо бы и варианты обхода замедления в комплекте.
Аватара пользователя
harto
Сообщения: 13
Зарегистрирован: 30 дек 2024, 02:25
Станция метро: Проспект Просвещения
Откуда: Северная Венеция

Re: Горный институт

Сообщение harto »

ленинградец
Сообщения: 928
Зарегистрирован: 26 мар 2012, 20:00
Станция метро: Чернышевская

Re: Горный институт

Сообщение ленинградец »

А какой пассажиропоток,кто нибудь считал?
Ответить

Вернуться в «Станции»