Реальные работы относятся к сооружению тоннеля, на что получено заключение Главгосэкспертизы. Вспомнилось
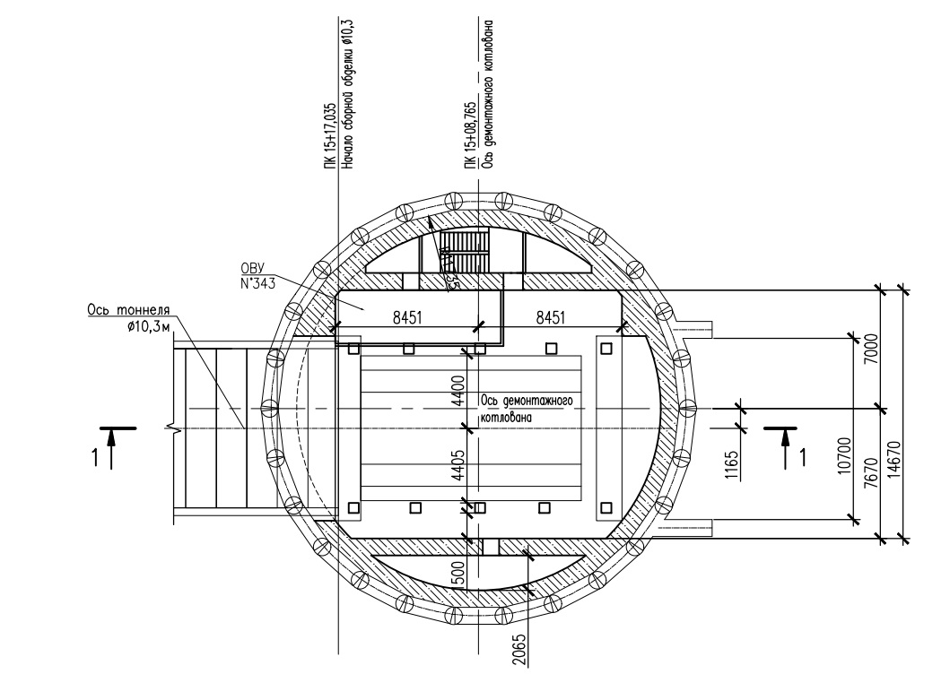
Я тут обратил внимание на два интересных "аппендикса" у ограждающей конструкции демонтажного котлована. Похоже, что на перспективу продления линии за "Каменку" ЛМГТ учел возможность сооружения как двухпутного тоннеля, так и двух однопутных. В этом случае к "аппендиксам" будет примыкать ограждающая конструкция котлована раструба.
В проекте о таком не упоминается. "Аппендиксы" - это просто два каркаса СВГ, расстояние между ними 10700, весь этот сектор армирован композитом и сделана цементация на 15 метров. То есть как раз для входа большого щита, а эти выступы - направляющие, чтобы он не ушёл в сторону во время пролома стены. И обозначается эта зона на чертеже как "Вход 2" (с противоположной соответственно "Вход 1").
Могу сказать почему. Со стороны "Каменки" щит проломит только СВГ, на этом месте не будет постоянной внутренней бетонной "рубашки". А вот с противоположной стороны она будет, поскольку неясно когда щит придёт с той стороны (да и придёт ли когда-нибудь вообще). Соответственно проламывать придётся гораздо более толстую конструкцию.
Постоянная обделка демонтажного котлована должна быть сооружена до ввода в него щита со стороны "Каменки". В противном случае сбойка может пойти не по плану (если большие фрагменты захваток СВГ будут выломаны ротором и произойдёт вынос грунта).
Либо придётся сначала вводить в котлован щит и только потом начинать разрабатывать в нём грунт в стеснённых условиях. Но тогда это противоречит технологии демонтажа щита: одна из продольных стен в котловане нужна для рельсового пути портального крана, а она не может висеть в воздухе, - она должна иметь надёжную связь с постоянной обделкой котлована и опирание на его днище, которые нельзя соорудить, пока не будет демонтирован щит.
Что касается проламывания толстой конструкции с другой стороны, - захватки СВГ с противоположной стороны могут быть сделаны с армированием стеклопластиковой арматурой, а "очко" - забетонировано низкомарочным бетоном (В7.5 - В15).
Чего гадать, в проекте всё написано. Будет так как сказал выше. Ну и естественно никакой ССВ на "Шуваловский" не будет и вообще никакого путевого развития не будет окромя перекрёстного съезда между главными путями.
mx писал(а): ↑02 окт 2024, 12:02
Чего гадать, в проекте всё написано. Будет так как сказал выше...
Посмотрим.
mx писал(а): ↑02 окт 2024, 12:02
Ну и естественно никакой ССВ на "Шуваловский" не будет и вообще никакого путевого развития не будет окромя перекрёстного съезда между главными путями.
В дальней перспективе, если за демонтажным котлованом будут строиться два однопутных тоннеля, то можно выполнить примыкание ССВ к раструбу. А для двухпутного тоннеля потребуется дополнительное сооружение трапециевидного котлована для ответвления вбок.
Если что, я кину тггда в данный форум рендеры станции Каменка. Лично вам нравитсч данный дизайн? Я скажу так - да, прикольно выглядит, но я не хочу чтобы все потом выглядело как в Москве - неровный кусок пластика и светодиоды.
ButanAnim писал(а): ↑01 ноя 2024, 01:54
Лично вам нравитсч данный дизайн?
Убого до безобразия. Не сочетаемое с не сочетаемым. Пластик и кирпич. Гнутые линии и прямые углы. За такое надо выгонять не только с работы, а из профессии в принципе.
Какой-то мавзолей, что сверху, что снизу. Часы стильные, но колонны между станционными дверями вносят некую несуразицу.
И кирпич не очень в тему, всё же здесь не Лондон.